Garage Door Floor Seals
Our garage door seals fit behind the garage door to create a watertight seal between the bottom of your garage door and the floor, protecting your garage or workshop from rainwater, cold draughts, leaves, debris and rodents. Our Garage products will keep your garage clean and dry all year round and can also cut down your energy costs.
Brand: Universal
12 x Tubes of Soudaflex 40FC Adhesive in Black Tube size 310ml Comes complete with Nozzle Soudaflex 40 FC is a high quality, one component polyurethane sealant with high modulus for a wide range of sealing and bonding applications Very easy application, stays elastic after applic..
£75.41
Ex Tax:£62.84
Brand: Universal
The most unique and versatile Garage Door Floor Seal on the market.Are you tired of sweeping leaves out of your garage or having rainwater trickle under your garage door? The Weather Defender floor seal will prevent rain, snow, leaves, dust, and dirt from being pushed under your garage door by the w..
£29.50
Ex Tax:£24.58
Brand: Universal
Black Heavy Duty Rubber Garage Door Floor Mounted Threshold Seal KIT, complete with a tube of Soudaflex 40FC black adhesive. (Seal lengths of 14ft 6" and longer have 2 tubes included.)Please select the appropriate size for your garage; for example, for a 7ft Garage Door, you would select a 7ft 6" as..
£18.95
Ex Tax:£15.79
Brand: Universal
24 x Tubes of Soudaflex 40FC Adhesive in Black Tube size 310ml Comes complete with Nozzle Soudaflex 40 FC is a high quality, one component polyurethane sealant with high modulus for a wide range of sealing and bonding applications Very easy application, stays elastic after applic..
£147.95
Ex Tax:£123.29
Brand: Universal
The most unique and versatile Garage Door Floor Seal on the market.
Are you tired of sweeping leaves out of your garage or having rain water trickle under your garage door? The Weather Defender floor seal will prevent, rain, snow, leaves, dust and dirt being pushed under your garage door by the win..
£48.95
Ex Tax:£40.79
Brand: Universal
6 x Tubes of Soudaflex 40FC Adhesive in Black Tube size 310ml Comes complete with Nozzle Soudaflex 40 FC is a high quality, one component polyurethane sealant with high modulus for a wide range of sealing and bonding applications Very easy application, stays elastic after applica..
£37.70
Ex Tax:£31.42
Brand: B&D Roller Doors
B&D replacement bottom black weather seal. The curved T pieces that slide into the rail on the bottom of the door are 4mm wide. Please see our related products area below and website for other similar seals, such as the grey seal with has a 6mm T section.Slides into the aluminium track on ..
£25.96
Ex Tax:£21.63
Brand: Universal
Deluxe Sealant Gun for use with adhesive / sealant cartridges upto 400ml. A useful tool to assist with the application of the adhesives sold with our floor seals.Please note, the colour or design may vary slightly from image.The ultimate heavy duty sealant gun, extra pull trigger, ho..
£19.96
Ex Tax:£16.63
Brand: Universal
Tube of Everbuild Stixall Adhesive in Black Tube size 300ml Comes complete with Nozzle Everbuild Stixall Extreme Power is a high quality, combined building adhesive & sealant for a wide range of sealing and bonding applications - Even Sticks under water! Very easy application..
£7.96
Ex Tax:£6.63
Brand: Universal
Tube of Everbuild Stixall Adhesive in Crystal Clear Tube size 300ml Comes complete with Nozzle Everbuild Stixall Extreme Power is a high quality, combined building adhesive & sealant for a wide range of sealing and bonding applications - Even Sticks under water! Very easy app..
£9.25
Ex Tax:£7.71
Brand: Filuma
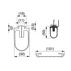
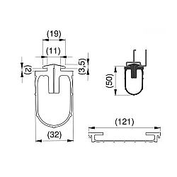
Filuma Rubber Ground Garage Door Seal Suits original and new style Filuma garage doorsThe Seal is approx 80mm wide when laid flatThe end pieces which slide into the bottom of the door are approx 4mm wideWill also fit some other sectional garage doors such as Hormann & GaradorReplacement rub..
£32.95
Ex Tax:£27.46
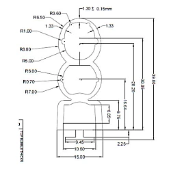
Brand: Garador
Rubber Bottom Seal for Sectional Garador Garage DoorsApprox sizes of seal in 3rd picture.The seal is shaped as per the images with slight tapers at the top.
This
image shows the seal in both a flat and a fitted to door position.
Please be aware of cheap seals which are available online whic..
£69.95
Ex Tax:£58.29
Brand: Universal
Garage Door Bottom Brush Draught Strip The aluminium carrier is 16mm (see image 2 for diagram). Please see our related products area below if you require the larger, industrial version of this brush strip (which is also available in lengths upto 3 metres (9ft 10") or our rubber & aluminium ..
£11.95
Ex Tax:£9.96
Brand: Golmet
Rubber Draught Strip - perfect for garage doors, fitted around the frame or to the bottom of the door to prevent draughts, leaves and water ingress etcThe aluminium carrier is 30mm high, and there are 2 choices of rubber size, please select from the drop-down box below:30mm Rubber45mm RubberSpecific..
£37.96
Ex Tax:£31.63
Brand: Universal
Garage Door Bottom Brush Draught Strip - Larger Industrial VersionThe aluminium carrier is 30mm (see image 2 for diagram). Please see our related products area below if you require the smaller version of this brush strip which has a 16mm carrier (which is also available in lengths upto 2134mm (7ft) ..
£14.95
Ex Tax:£12.46
Brand: Roller Doors
Replacement bottom grey weather seal to suit GDS Garage Door Systems Roller Shutter garage doors. (This is for the non-insulated single skin roller shutter doors - please see myother items for the insulated version which is black).Slides into the aluminium track on the bottom of the roller shutter -..
£21.95
Ex Tax:£18.29
Brand: Gliderol
Genuine Gliderol replacement bottom grey weather seal. (This is for the non-insulated single skin roller shutter doors - please see myother items for the insulated version which is black).Slides into the aluminium track on the bottom of the roller shutter - easy, straightforward jobWe list vari..
£21.95
Ex Tax:£18.29
Brand: Henderson
Henderson replacement bottom grey weather seal. (This is for the non-insulated single skin roller shutter doors - please see myother items for the insulated version which is black).Slides into the aluminium track on the bottom of the roller shutter - easy, straightforward jobWe list various sizes to..
£26.95
Ex Tax:£22.46
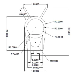
Brand: Hormann
Rubber Bottom Seal for Sectional Hormann Garage DoorsApprox sizes of seal in 3rd picture.The seal is shaped as per the images with slight tapers at the top. This
image shows the seal in both a flat and a fitted to door position. Please be aware of cheap seals which are available online which ..
£69.95
Ex Tax:£58.29
Brand: Universal
Industrial / Commercial Bottom Rubber 'Wrap Around' SealFits all standard 75mm 'T' bars.
They only make 1 size of this T-Bar, if your door has a T-Bar then this
will fit - please see the included photos an image. The T-Bar is an
upside down capital ’T’ with a flat edge on both sides. This seal..
£23.95
Ex Tax:£19.96
Brand: Novoferm
Rubber Bottom Seal for Folding Sectional Novoferm Garage DoorsAvailable in all sizes - Please select the size you require from the drop-down boxThe seals can become brittle or damaged over time so ideal replace for an optimum seal between your door and floorThe Seal is approx 19mm at the widest poin..
£17.95
Ex Tax:£14.96
Brand: Roller Doors
Safety Edge Rubber Seal, for a 55mm lath door.Slides into the aluminium track on the bottom of the roller shutter - easy, straightforward jobWe list various sizes to suit your door width - please select the size you require from the option drop-down box. If you need a length not listed, please..
£19.96
Ex Tax:£16.63
Brand: Roller Doors
Safety Edge Rubber Seal.Slides into the aluminium track on the bottom of the roller shutter - easy, straightforward jobWe list various sizes to suit your door width - please select the size you require from the option drop-down box. If you need a length not listed, please contact us and we wil..
£19.96
Ex Tax:£16.63
Brand: Roller Doors
Safety Edge Rubber Seal.Slides into the aluminium track on the bottom of the roller shutter - easy, straightforward jobWe list various sizes to suit your door width - please select the size you require from the option drop-down box. If you need a length not listed, please contact us and we wil..
£19.96
Ex Tax:£16.63
Brand: Universal
Skeleton Sealant Caulk Gun for use with adhesive / sealant cartridges upto 400ml. A useful tool to assist with the application of the adhesives sold with our floor seals.Please note, the colour or design may vary slightly from image...
£9.00
Ex Tax:£7.50
Brand: Universal
Tube of Soudaflex 40FC Adhesive in Black Tube size 310ml Comes complete with Nozzle Soudaflex 40 FC is a high quality, one component polyurethane sealant with high modulus for a wide range of sealing and bonding applications Very easy application, stays elastic after application&..
£8.95
Ex Tax:£7.46
Brand: Steel Line
Genuine Steel Line replacement bottom grey weather seal. (This is for the non-insulated single skin roller shutter doors - please see myother items for the insulated version which is black).Slides into the aluminium track on the bottom of the roller shutter - easy, straightforward jobWe list various..
£26.95
Ex Tax:£22.46
Brand: Wayne Dalton
Wayne Dalton replacement bottom black rubber weather seal. Slides into the aluminium track on the bottom of the door - easy, straightforward jobWe list various sizes to suit your door width - please select the size you require from the option drop-down box. If you need a length not listed..
£29.95
Ex Tax:£24.96Showing 1 to 28 of 28 (1 Pages)
























